VSL-KR系列双线分配器(40MPa)
详细介绍
VSL-KR系列双线分配器(40MPa)
一、使用条件 | ![]() |

| 三、型号说明 | |
![]() | |
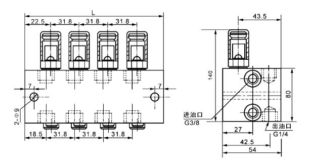
| 四、外形尺寸 | |
![]() |

| 五、使用说明 | |
| 若需相应上下出口合并时,只需将上出油孔内的压紧螺塞用6mm内六角扳手拧出,取出分油套通孔向下装入,再拧紧压紧螺塞,此时上出口用G1/4螺塞封堵以防灰尘侵入。 | |
| 六、订货须知 分配器安装使用环境温度在-10~80℃以外的必须在订货合同中注明,以便供货时提供耐低、高温油封。 |






